

Plane polarised light Crossed polarised light
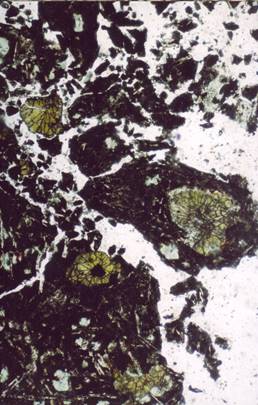
The field of view is 3mm from top to bottom. This is a thin section of a spilitic basalt from Clutter’s Cave. Spilitic lava is enriched in sodium and is formed when basalt reacts with seawater. When the lava erupted on the sea floor it contained gas bubbles, vesicles, in which crystals have since formed. In the picture the radiating structure within these vesicles can be seen. This is known as variolitic or spherulitic texture.